臭氧气体输送系统
Applications of O3 products for Semiconductor

Ozone Generator
臭氧发生器的核心原理:
基于电晕放电(Corona Discharge),在高压电场下,氧气分子通过高能电子撞击分解为氧原子(O)并重组生成臭氧(O₃)。

臭氧气体输送系统基本介绍
ODS (Ozone Delivery System) Applications:
CVD TEOS/O3
ALD High-K

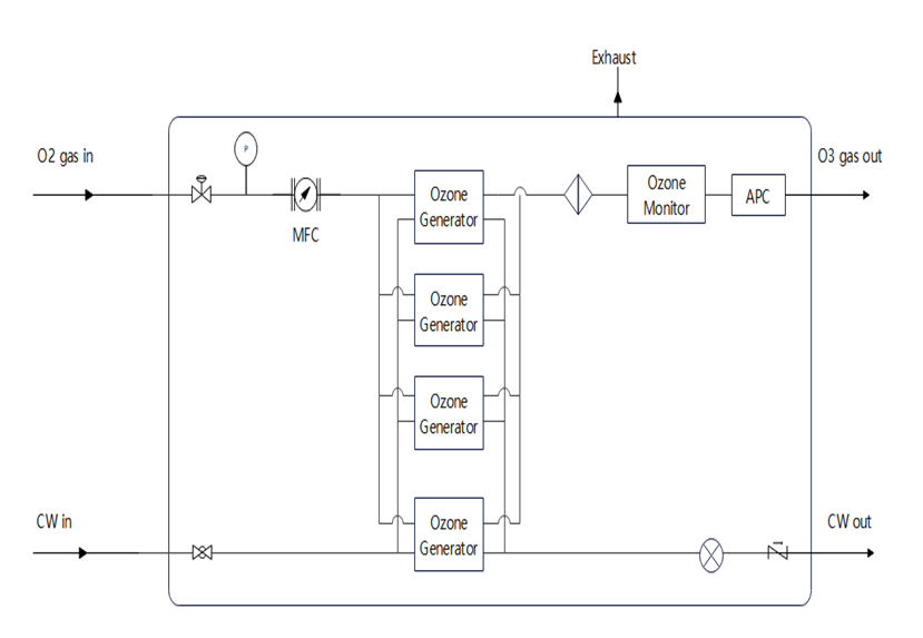
ODS FLOW SHEET
特点:大流量/高浓度
1进1出,最多4EA Generator 并联
N2 可选
主要应用:Memory

特点:1进多出 Type
1~4路O3出口可选,流量/浓度/压力单独控制
N2 可选
主要应用:Logic

ODS Outline

ODS Part Number

ODS Ozone Generator Curve

Different colors mean different generator models.
400g/m3 model is also available to fit specific customer needs.
You can select suitable model depend on your requirement.
Normally we will use GRF-RC to meet CVD/ALD process requirements.
(12.5% ≈ 180g/m3 @5000sccm)
ODS Configurations

ODS Features

Ozone Related Service
